多路数滑环,是只通路数在50路以上的导电滑环。偲诺的多通路数滑环高达500通路,其中可集成大电流、小电流、数字信号、模拟信号、光纤、射频于一体。转速高达1000转每分钟仍然可保持产品高寿命特性.
产品描述
-
防护等级高
-
多路数
-
转动顺滑,信号稳定
-
使用寿命长,免维护
-
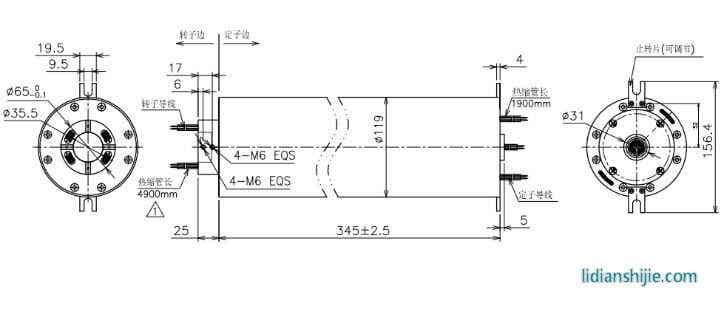
路数可达500路;
-
尺寸紧凑,重量轻;
典型应用:
-
锂电设备
-
转台
-
雷达
-
自动化设备
防护等级:
IP54
工作温度:
-20℃~+60℃
孔径:
/
电流:
240路*2A
电压:
240VAC/VDC
转速:
1~100rpm
工作湿度:
60%RH以下
绝缘电阻:
500MΩ@500VDC
耐压强度:
≥500V@50Hz
电阻波动值:
≤70MΩ(以50rpm运转)
触点材料:
贵金属
导线规格:
AWG26#镀锡铁氟龙®UL


