手机版
二维码
购物车
选择频道搜索
供应
采购
招商
招聘
锂电资讯
锂电展会
锂电专题
锂电技术
锂电品牌
锂电企业
知道
图库
视频
下载
锂电池
首页
供应
采购
招商
招聘
锂电资讯
锂电展会
锂电专题
锂电技术
锂电品牌
锂电企业
知道
图库
视频
下载
首页
>
供应
>
锂电设备
>
辅助
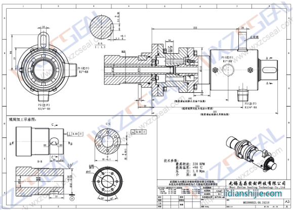
志存密封锂电注液设备油用旋转接头|M型多通道旋转接头
单价
¥
4000.00
/ 件
对比
销量
暂无
浏览
32
发货
江苏无锡市
付款后3天内
库存
200件
起订1件 限购10000件
品牌
志存
温度
90℃
转速
90RPM
压力
1.0MPa
过期
长期有效
更新
2025-11-28 08:46
联系方式
加关注
0
陈经理
个人会员
第2年
资料
未认证
保证金
未缴纳
江苏-无锡市
上次登录 04-09 11:13
•
陈经理 (先生)
进入主页
更多供应
详细说明
志存密封根据某德时代注液设备定制的油用旋转接头,产品系列分为DN20,DN25,DN32。
点赞
0
举报
收藏
0
评论
0
分享
4
更多
>
本企业其它产品
志存密封锂电正极材料
志存密封锂电辊压机旋
锂电材料
正极
负极
隔膜
电解液
辅材
锂电设备
前段
中段
后段
实验
辅助
零部件
电池配件
设备配件
电子元器件
其他附件
锂电池
消费
动力
储能
特种领域
一次锂电池
其他
网站首页
|
关于我们
|
联系方式
|
用户协议
|
隐私政策
|
版权声明
|
历年杂志
|
会员服务
|
广告服务
|
网站地图
|
排名推广
|
广告服务
|
积分换礼
|
网站留言
|
RSS订阅
|
违规举报
©2007-2025 锂电世界 版权所有 |
辽ICP备16017399号-1
|
21010602000105
| 客服电话:13520682949