电解液远距离输送在锂电池生产中的应用研究
电解液远距离输送在锂电池生产中的应用研究
秦玉龙 杨麟
中航锂电(洛阳)有限公司 河南 洛阳 471003
摘要:本文重点对电解液远距离输送系统进行研究,包括输送系统结构、功能、构成材质、使用流程、检测标准等。着重对整套输送系统使用前清洗流程进行研究分析,该系统的应用对产能较大的锂电池生产线建设具有重要意义。
Application of long distance electrolyte transportation in lithium battery production
Qin Yu Long Yang Lin
(China Aviation Lithium Battery CO., LTD, Luoyang, Henan, 471003)
Abstract: This paper focuses on the study of the electrolyte long-distance transportation system, including the structure, function, composition, material, the process and testing standards of the transportation system. The application of the system is of great significance to the construction of lithium battery production line with larger capacity.
Key words: Electrolyte transportation;The Conduit;Cleaning process;Safety
锂离子电池作为新一代绿色环保电池,工作电压高、比能量高、无污染、循环寿命长,作为动力电池有着广泛的应用前景[1]。随着锂电池生产线设计产能不断提升,生产过程每天电解液的消耗量也越来越大。电解液桶转运频次、储存安全性等问题日益凸显。
1 研究背景
电解液为甲类物质,其存放区域需具备甲级防爆等级要求,为降低建设成本,锂电厂通常电解液存放区域与生产区域相隔较远。目前,生产过程是将200Kg/桶电解液由电解液库房转运至注液间进行生产,如果按照每日生产500WAh电池计算,每天需转运超过30桶电解液,且受电解液库房面积的影响其安全库存压力也急剧增加。为降低转运频次,增加安全库存能力部分锂电厂将200Kg/桶规格电解液更换为1T/桶规格电解液,但带来新的问题是非防爆注液车间暂存电解液量超过安全标准规范所允许的最大限值。因此,电解液远距离输送系统的开发需求日趋迫切。
2 电解液输送系统功能研究
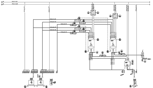
电解液输送系统用于为电池注液设备传输所需电解液,具备氮压自动供液、自动清洗及异常处理功能,设备工作状态由系统自动控制可实现自动化供液。该系统设备配置独立的PLC控制平台,可实现对相关工艺参数(如压力、供液量等)进行实时监视、记录和调节控制、历史数据查询导出、问题报警及原因追溯、安全保护、密码权限等功能。由控制系统、供液管路、氮气管路、放空管路和氮气缓冲装置五部分组成,通过氮气打压的方法,将暂存间内的电解液经供液管路输送至自动注液机内。
整套系统的动力源采用的是高纯氮气,供液管路材质采用的是内外壁抛光的SUS316L不锈钢。PLC通过减重法系统判定罐体内电解液是否用完,主备两个电解液供液口自动切换可实现不停机连续供液。
图1 电解液输送系统示意图
3 电解液输送系统清洗过程研究
管线的清洗是整个系统能否正常使用的关键步骤,电解液进过输送管道后要求不能引入Fe、Ni、Cu等金属离子;其次,电解液与水发生化学反应产生强酸,具有很强的腐蚀性,而且含水量超标的电解液也会造成锂电池报废[2],因此管道清洗不能使用水这种常规的清洗剂。本系统清洗剂选择为DMC溶液。
3.1 管道密封性进行检测
首先,管道压力试验是通过高纯氮气为填充介质进行,保压压力为使用压力的1.5~2倍,保压时间为30min无泄漏;
其次,管道泄漏性试验通过逐步升压的方式对阀门、法兰等管件连接处利用肥皂水检测无气泡;
计算管道保压合格标准计算公式(1):
其中:A:每小时平均泄漏率(%/h)
P1、P2:试验开始和结束的绝对压力(Mpa)
T1、T2:开始、结束时的气体温度(℃)
t:试验时间(h)
判定电解液输送管道保压合格标准:A≤1‰/h。
3.2 管道清洁
1)使用压缩空气将供液管路、氮气管路、放空管路和氮气缓冲罐内的杂质、颗粒物清除,压缩空气的压力控制在使用压力的2~3倍,该过程需要连续吹扫,采用打靶验收的方法确定管道内是否洁净。
2)使用氮气排除管路内的空气,并连续吹扫。压力控制在使用压力的2~3倍,该过程需要连续吹扫。
3)把DMC清洗液通过氮气打压的方法压入供液管路中进行第一次润洗。
4)第二次用DMC清洗液对供液管路进行润洗,用取样瓶分别在排放DMC清洗液的中间时段和结束时段各取一个200ml左右的样品,取样完毕之后,密封并做好标记,进行水分和离子检测。
5)用氮气对供液管路进行连续吹扫,压力控制在使用压力的2~3倍,将DMC清洗液排除,然后氮气封存管路。
6)若水分和离子检测不合格,重复步骤2、4、5。
3.3 电解液输送系统使用步骤
为保证系统可靠性,在使用过程中要对该系统进行动态监控,电解液水份抽样检测频次不低于2次/天,离子检测不低于2次/月。具体操作步骤如下图1所示:
图2 电解液输送系统使用流程
4 结语
电解液远距离输送系统不仅能有效的解决因锂电池产能提升带来的转运频次提高的问题,同时也能解决甲级防爆暂存间与常规注液车间联通的生产问题,具有极大的推广意义。未来随着对该系统的应用研究的逐步深入和完善,稳定可靠的电解液远距离系统应用将越来越广泛。
参考文献
[1]倪文昊,丁冬.我国锂离子电池发展现状及前景探讨[J].中国石油和化工标准与质量,2012,8-26
[2]肖顺华,章明方.水分对锂离子电池性能的影响[J].应用化学,2005,22(7):764-767.
[3]墨柯.锂离子电池电解液产业分析[J].真锂研究,2013.05(7):18-26.
[4]吴鹏云.电解液智能管式过滤器设计[J].机械研究与应用,2011.06.


